Complete installatieset voor wandcloset
- Innovatieve AQUABLADE® spoeltechnologie
- SoftClose mechanisme voor langzame sluiting van de closetzitting
- deze installatieset is ook verkrijgbaar in andere uitvoeringsvarianten van de bedieningsplaat
Bevat
- voorwandinstallatie-element Geberit Kombifix (110.302.00.5), met inbouwspoelreservoir Sigma 12 cm
- set voor geluidsdemping
- wandcloset Ideal Standard Tesi
- wandcloset Ideal Standard Tesi
- dual flush bedieningsplaat Geberit Sigma01, mat chroom
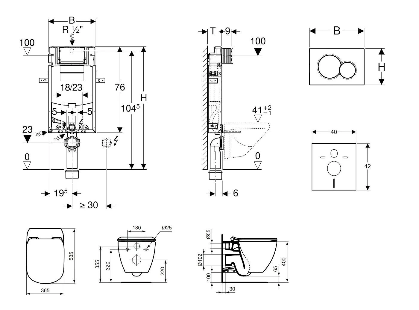
Kombifix WC montage-element, met Sigma inbouwreservoir 12 cm
Gebruiksdoel
- voor gemetselde muren
- voor montage in deelhoge of ruimtehoge voorwandinstallaties
- voor een wandcloset met aansluitmaten conform EN 33:2011
- voor single flush, dual flush of Start/Stop spoeling
Kenmerken
- montageframe met poedercoating
- montageframe met vier bevestigingsprofielen
- aansluitbocht voor montage zonder gereedschap
- bevestiging van de aansluitbocht kan vanaf de voorzijde zonder gereedschap gebeuren
- inbouwreservoir met frontbediening
- inbouwreservoir, geïsoleerd ter voorkoming van condensatie
- fabrieksinstelling maakt direct naspoelen mogelijk
- montage- en onderhoudswerkzaamheden aan inbouwreservoir zonder gereedschap
- wateraansluiting achter of boven in het midden
- afdekking voor ruwe montage voor service-opening beschermt tegen vocht en vuil
- afdekking voor ruwe montage voor service-opening, inkortbaar
- uitgerust met mantelbuis voor toevoerleiding voor de aansluiting van Geberit AquaClean douche-wc’s
- met bevestigingsmogelijkheid voor elektriciteitsaansluiting
Technische gegevens
- stromingsdruk: 10–1000 kPa
- maximale watertemperatuur: 25 °C
- spoelvolume, ingesteld in de fabriek: 6 en 3 l
- groot spoelvolume, instelbereik: 4,5 / 6 / 7,5 l
- klein spoelvolume, instelbereik: 3-4 l
De verpakking bevat
- wateraansluiting R 1/2” geschikt voor MF, met geïntegreerde hoekstopkraan en handwiel
- sparingkoker voor service-opening
- aansluitset voor wc, Ø 90 mm
- aansluitbocht Ø 90/110 mm
- 2 beschermdoppen
- 2 draadstangen M12
- bevestigingsmateriaal
Set met wandcloset en ultradunne closetzitting
Wandcloset
- met de innovatieve AQUABLADE® spoeltechnologie
- voor inbouwreservoir met spoelcapaciteit 4,5 l
- installatie: met inbouwmodule in de muur of in een gipsplaat wand
- afmetingen: 360 x 400 x 530 mm
- materiaal: sanitairkeramiek
- verborgen bevestiging
- geglazuurde spoelrand
- diepspoel
Closetzitting
- met SoftClose functie voor langzame sluiting
- kleur: wit
- gemakkelijk afneembaar voor eenvoudig onderhoud
Bedieningsplaat Sigma01, voor dual flush spoeling
- afmetingen: 246 × 164 mm
- materiaal: kunststof
- uitvoering: mat chroom, easy-to-clean afwerking
- voor de bediening van de spoeling bij Geberit Sigma inbouwreservoirs
- bevestigingsframe
- 2 afstandhouders
- 2 drukstiften
- drukstiften geluidsgeïsoleerd, snel instelbaar zonder gereedschap
Dit product kan bij u zonder originele verpakking geleverd worden. De reden is bescherming van product tegen eventuele schade tijdens transport.































Beoordelingen
Er zijn nog geen beoordelingen.